

安全评价报告网上信息公开
报告编号:赣通浔化评字(2025)052号
评价报告名称 | 余干县远华气体有限公司高端气体罐装运输销售项目安全条件评价报告 | ||||||
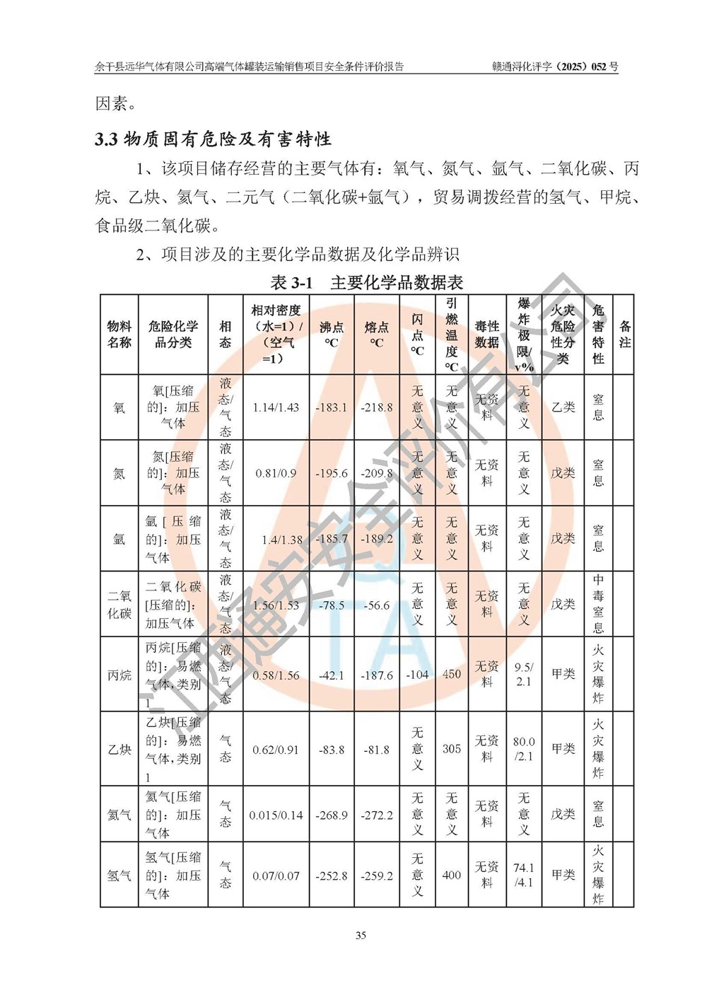
项目简介 | 余干县远华气体有限公司成立于2024年05月10日,公司类型为有限责任公司(自然人投资或控股),该公司法定**人为张建华,注册资本贰佰万元整,经营场所位于江西省上饶市余干县****产业园区内聚温化纤以西锦华路以南。经营范围:一般项目:气体、液体分离及纯净设备销售(除依法须经批准的项目外,凭营业执照依法自主开展经营活动)。 余干县远华气体有限公司于2025年02月11日取得了余干县发展和改革委员会《余干县远华气体有限公司高端气体罐装运输销售项目》备案文件,备案编号:2502-361127-04-01-434579。 该项目涉及氧、二氧化碳、氮、氩、丙烷、乙炔、氦气、二元气(二氧化碳+氩气)的储存经营,贸易调拨经营的气体氢气、甲烷、食品二氧化碳。该公司拟建低温立式储罐液氧罐30m3 2个、液态二氧化碳罐30m3 1个、液氮罐30m3 1个、液氩罐30m3 1个,及各工业气瓶100瓶、各杜瓦瓶20瓶;全压力式卧式埋地储罐丙烷40m3 1个、40m3 1个(备用罐)及丙烷工业气瓶50瓶;气瓶库内乙炔气瓶及氦气气瓶各50瓶。项目储存经营过程中涉及的氧(液态的、压缩的)、二氧化碳(液态的、压缩的)、氩(液态的、压缩的)、氮(液态的、压缩的)、丙烷、乙炔、氦气、食品级二氧化碳、二元气(二氧化碳+氩气)均属于危险化学品,贸易调拨经营的气体氢气、甲烷、食品二氧化碳属于危险化学品。不涉及易制毒化学品、剧毒化学品、监控化学品、易制爆化学品、特别管控危险化学品,乙炔、丙烷、氢气、甲烷属于重点监管的危险化学品。该项目储存经营场所(生产单元、储存单元)不构成危险化学品重大危险源。 依据《危险化学品经营许可证管理办法》(**安全生产监督管理总局令第55号,第79号修改),项目储存经营的化学品属于危险化学品,需要办理《危险化学品经营许可证》。 依据《中华人民共和国安全生产法》、《危险化学品安全管理条例》等规定的要求,危险化学品新、改、扩建的生产性建设工程**进行安全评价,根据《危险化学品建设项目安全监督管理办法》(**安全生产监督管理总局令第45号,第79号、89号令修改)的规定,危险化学品新、改、扩建的生产性建设工程**进行建设项目安全条件评价,以使工程项目的设立满足安全生产条件,项目的安全设施与主体工程同时设计、同时施工、同时投入使用,项目在安全生产及安全管理方面符合**及行业有关法律法规及标准。因此余干县远华气体有限公司委托江西通安安全评价有限公司承担该项目的安全条件评价。 江西通安安全评价有限公司接受委托后,参照现行的法律、法规和标准,按照《安全评价通则》、《安全预评价导则》、江西省应急管理厅关于印发《江西省危险化学品建设项目安全监督管理实施细则》(试行)的通知等规范规定的要求,成立评价组。评价组完成风险分析、资料收集、现场勘查和类比调查等前期准备工作,并制定评价实施计划。评价组在前期准备工作的基础上,根据企业提供的资料,分析了该项目中可能存在的主要危险、有害因素,在危险、有害因素分析基础上,根据该项目的生产工艺、功能区域特点,划分了评价单元,并针对划分的评价单元选择了相应的安全评价方法进行了逐项分析、评价,提出了相应的预防和控制对策措施。 本报告可作为余干县远华气体有限公司高端气体罐装运输销售项目安全生产技术、安全生产管理决策及办理相关安全生产行政许可事项的技术依据。 本次安全评价范围:余干县远华气体有限公司高端气体罐装运输销售项目,主要包括: (1)选址、周边环境、总平面布置及建、建构筑物(主要包括罐区、气体灌装间、气瓶库、杜瓦瓶充装棚、变配电室、制冰车间、研发中心); (2)项目的生产工艺及装置;相关的公用工程、辅助工程设施(配电房、消防泵房、消防水池/事故水池等)。 评价内容涉及工程的安全条件、安全生产条件及安全生产管理,包括生产过程中的危险有害因素,建设项目的安全条件以及工艺、设备设施的安全可靠性和安全生产方面管理的组织、机构、人员、防护设施、作业环境及管理制度等。本项目不涉及城镇燃气经营。 项目厂外运输及其运输工具不在评价范围内。涉及该项目的环境、消防、职业卫生、产品质量及施工安全等问题则应执行**的有关法规规定及相关标准;本评价引用到的**、消防、职业卫生方面的法规标准与安全评价有**的关联,环境保护、职业卫生与消防应以其主管部门审核意见为准。 | ||||||
参与评价项目相关人员 | 姓名 | 资格证书号 | 从业登记号 | ||||
项目负责人 | 朱洪忠 | 1500000000200337 | 026776 | ||||
项目组成员 | 朱洪忠 | 1500000000200337 | 026776 | ||||
邹孝琴 | S011035000110203001181 | 040635 | |||||
陈润洪 | 1800000000100059 | 015387 | |||||
朱汝玲 | S011032000110191000378 | 028131 | |||||
杨健健 | S011032000110193001029 | 037091 | |||||
报告编制人 | 朱洪忠 | 1500000000200337 | 026776 | ||||
报告审核人 | 李重阳 | S011035000110201000616 | 026187 | ||||
过程控制负责人 | 王立 | CAWS350000230200190 | 031929 | ||||
技术负责人 | 黄伯良 | 1800000000100060 | 013789 | ||||
评价结论 | 综上所述:余干县远华气体有限公司高端气体罐装运输销售项目的选址、总平面布局、总体运输、周边环境、自然环境能满足建设安全条件;项目选择的工艺过程及设备设施的安全可靠性能达到**法规、标准规定要求;项目存在的危险有害因素可控,在落实本评价报告提出的有关安全对策措施后,其危险有害程度能达到可以接受的程度,项目建设能够实现安全运行目标。 | ||||||
勘察现场工作时间 | 2025.7.14 | 报告提交时间 | 2024.9.5 | ||||
勘察现场人员 | 朱洪忠、邹孝琴 | ||||||
现场照片 |
左一为企业人员,其他为评价人员 | ||||||
被评价单位 信息反馈情况 | 满意 | ||||||



























































































































































