

评价报告公开信息表
评价报告名称 | 江西肯特化学有限公司在役装置(年产23228吨季铵(鏻)化合物及其衍生产品)安全现状评价报告 | |||
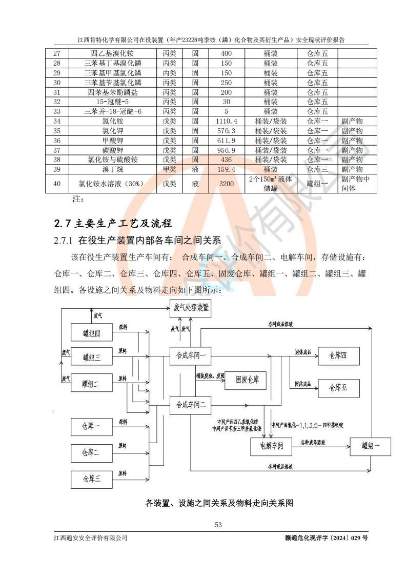
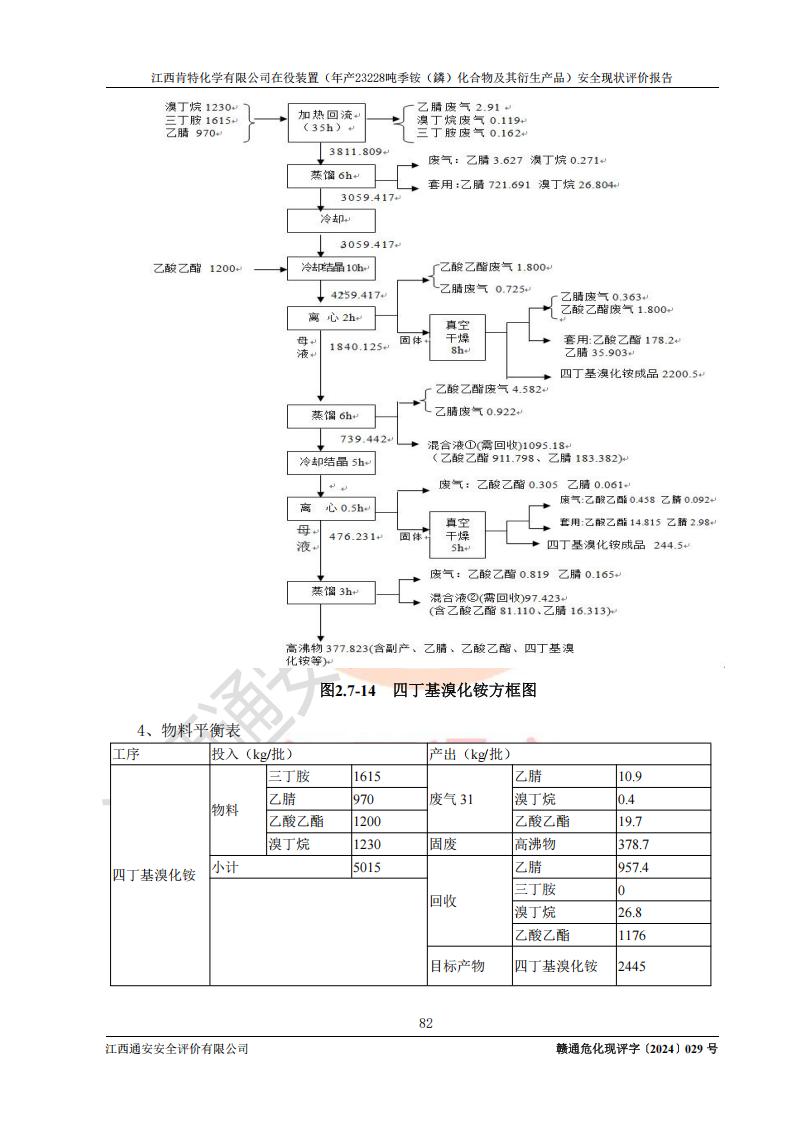
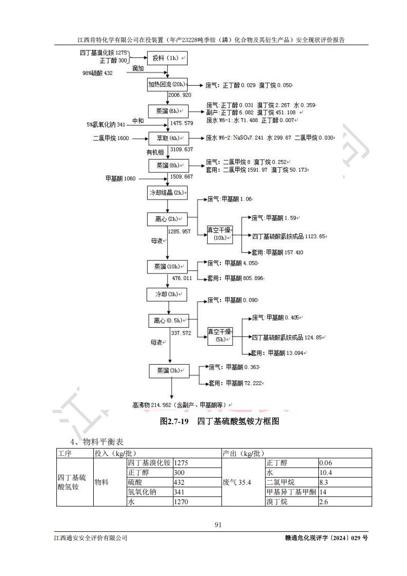
项目简介 | 江西肯特化学有限公司(以下简称“公司”)成立于2009年5月31日,位于江西永新工业园区化工集中区(为《关于江西省化工园区认定合格名单(**批)公示》中认定合格的化工园区),属有限责任公司(非自然人投资或控股的法人独资),法定**人:项飞勇,注册资金:伍仟贰佰万元整。经营范围:许可项目:危险化学品生产(**期至2024年9月22日止)第二、三类监控化学品和第四类监控化学品中含磷、硫、氟的特定有机化学品生产,**类非药品类易制毒化学品经营(依法须经批准的项目,经相关部门批准后方可开展经营活动,具体经营项目以相关部门批准文件或许可证件为准)一般项目:基础化学原料制造(不含危险化学品等许可类化学品的制造),合成材料制造(不含危险化学品),化工产品生产(不含许可类化工产品)石油制品制造(不含危险化学品),化工产品销售(不含许可类化工产品),新材料技术研发,新型催化材料及助剂销售(除依法须经批准的项目外,凭营业执照依法自主开展经营活动)。 该公司于2019年8月9日取得了永新县工业和信息化局出具的《江西省工业企业技术改造项目备案通知书》,项目名称:江西肯特化学有限公司异地技改扩建(年产20830吨季铵(鏻)化合物及其衍生产品),项目统一代码:2019-360830-26-03-016943。 2020年2月江西赣昌安全生产科技服务有限公司出具了《江西肯特化学有限公司异地技改扩建(年产20830吨季铵(鏻)化合物及其衍生产品)项目安全条件评价报告》,并于2020年3月3日取得了建设应急管理局下发的《危险化学品建设项目安全条件审查意见书》(吉市危化项目安条审字〔2020〕1号)。 2020年8月浙江工程设计有限公司出具了《江西肯特化学有限公司异地技改扩建(年产20830吨季铵(鏻)化合物及其衍生产品)项目安全设施设计》,并于2020年9月15日取得吉安市应急管理局下发的《危险化学品建设项目安全设施设计审查意见书》(吉市危化项目安设审字〔2020〕51号)。 2021年9月由江西省赣华安全科技有限公司出具了《江西肯特化学有限公司异地技改扩建(年产20830吨季铵(鏻)化合物及其衍生产品)项目安全验收评价报告》,并组织了专家进行现场评审,于2021年9月5日通过验收评审。 2021年取得了安全生产许可证,许可证编号:(赣)WH安许证字〔2011〕0660号,(**期:2021年9月23日至2024年9月22日)。 2022年该公司对上述原有项目进行新改扩,并于2022年3月25日取得永新县工业和信息化局出具的《江西省工业企业技术改造项目备案通知书》,项目名称:年产23228吨季铵(鏻)化合物及其衍生产品新改扩项目,项目统一代码:2201-360830-07-02-811847。 公司于2022年5月由江西赣华安全科技有限公司编制了《江西肯特化学有限公司年产23228吨季铵(鏻)化合物及其衍生产品新改扩项目安全条件评价报告》,于2022年6月7日取得吉安市应急管理局下发的《危险化学品建设项目安全条件审查意见书》(吉市危化项目安条审字〔2022〕8号)。 2022年6月委托浙江省天正设计工程有限公司编制了《江西肯特化学有限公司年产23228吨季铵(鏻)化合物及其衍生产品新改扩项目安全设施设计》,于2022年8月25日取得吉安市应急管理局下发的《危险化学品建设项目安全设施设计审查意见书》(吉市危化项目安设审字〔2022〕15号)。 2022年11月委托中检集团康泰安全科技有限公司编制了《江西肯特化学有限公司年产23228吨季铵(鏻)化合物及其衍生产品新改扩项目安全验收评价报告》,于2022年12月31日组织专家进行了竣工验收并出具验收意见。验收完成后经江西省应急管理厅审批,换取了《安全生产许可证》,许可证编号:(赣)WH安许证字〔2011〕0660号,**期:2021年9月23日至2024年9月22日。 经辨识,项目生产过程中涉及的三乙胺、三丙胺、氯乙烷、氯化苄、三氯甲烷、二氧六环、溴乙烷、溴丁烷、乙酸乙酯、**、甲基酮(甲基异丁基酮)、正丁醇、甲酸、甲醛、甲苯、双氧水、苯酚、邻苯二酚、N,N-二甲基甲酰胺、氢氧化钾、氢氧化钠、三苯基膦、二氯甲烷、溴苯、盐酸、硫酸、三丁胺、溴丙烷、甲醇、乙腈、氨水、**胺、氯甲烷、二氯乙醚、四氢呋喃、硫酸二乙酯、碳酸二甲酯、柴油(发电机房用)、氢气(尾气)、氮气(压缩的)、氨气(尾气)、天然气(燃料)、氟里昂22(制冷剂)、产品四甲基氢氧化铵(25﹪甲醇溶液)、四甲基氢氧化铵(25%水溶液)、四乙基氢氧化铵(20~40%水溶液)、苄基**基氢氧化铵(25%甲醇溶液)、三丁基乙基铵乙基硫酸盐(75%正丁醇溶液)等属于危险化学品,其中三氯甲烷为第二类易制毒化学品,甲苯、**、硫酸、盐酸为第三类易制毒化学品;氯甲烷、氯仿、氢气、甲苯、乙酸乙酯、甲醇、苯酚、天然气属于重点监管的危险化学品;甲醇属于特别管控危险化学品;三丁胺为剧毒化学品。 经辨识,项目N,N-二甲基-1-金刚烷胺合成、N,N-二甲基-3,5-二甲基哌啶合成、四甲基氯化铵合成、四乙基溴化铵合成、甲基三乙基氯化铵合成、N,N,N-**基-1-金刚烷基氯化铵合成、氯化-N,N-二甲基-3,5-二甲基哌啶合成和N,N,N-**基-1-金刚烷基碳酸氢铵合成为烷基化反应;低聚防膨铵盐合成、苄基**基氯化铵合成、苄基三乙基氯化铵合成和氯化六甲双胺合成为胺基化反应,烷基化反应和胺基化反应均为重点监管的危险化工工艺。 经辨识,项目合成车间一、罐组四分别构成三级重大危险源,合成车间二和罐组二分别构成四级重大危险源,其它生产、储存单元未构成危险化学品重大危险源。。 | |||
参与评价项目相关人员 | 姓名 | 资格证书号 | 从业登记号 | |
项目负责人 | 刘于萍 | S011035000110202001272 | 041667 | |
项目组成员 | 刘于萍 | S011035000110202001272 | 041667 | |
龙镜生 | 1500000000300799 | 026813 | ||
朱汝玲 | S011032000110191000378 | 028131 | ||
陈嘉鸣 | S011035000110193001189 | 037242 | ||
刘 赟 | 1500000000301415 | 026290 | ||
报告编制人 | 刘于萍 | S011035000110202001272 | 041667 | |
龙镜生 | 1500000000300799 | 026813 | ||
报告审核人 | 邬长福 | 1200000000100179 | 007151 | |
过程控制负责人 | 刘 赟 | 1500000000301415 | 026290 | |
技术负责人 | 黄伯良 | 1800000000100060 | 013789 | |
勘察现场发现的问题及安全对策措施 | ![]() | |||
评价结论 | 江西肯特化学有限公司在役装置(年产23228吨季铵(鏻)化合物及其衍生产品)现场情况与设计图纸一致,DCS系统、SIS系统设计符合要求且运行正常,有关从业人员资质符合《江西省危险化学品安全专项整治三年行动实施方案》要求,安全设施及安全管理符合法律、法规、标准的要求,安全风险是可以控制的,其风险程度是可以接受的,安全设施符合安全生产条件,能够满足安全生产的要求。 | |||
勘察现场工作时间 | 2024.4.20 | 报告提交时间 | 2024.6 | |
勘察现场人员 | 刘于萍、龙镜生 | |||
现场照片 | ![]() ![]() | |||
被评价单位 信息反馈情况 | 无 | |||



















































































































































































































































































































































































































































































































































