

项目名称 | 万安县枧头镇瑞达加油站安全现状评价报告 | ||||
项目简介 | 万安县枧头镇瑞达加油站于2015年4月23日经万安县市场监督管理局核准注册成立,营业场所位于江西省吉安市万安县枧头镇石灰桥。类型:普通合伙企业,执行事务合伙人:刘厚淳,营业执照统一社会信用代码为:91360828MA35GEFF0L。营业执照核准经营范围:成品油零售(依法须经批准的项目,经相关部门批准后方可开展经营活动)***。 万安县枧头镇瑞达加油站占地面积305.53㎡,加油站中设有1台0#柴油/0#柴油双枪加油机、1台92#汽油/92#汽油双枪加油机、1台92#汽油单枪加油机、1台92#汽油单枪加油机布置;1台50m³0#柴油双层埋地储罐、1台50m³92#汽油双层埋地储罐、1台30m³92#汽油双层埋地储罐,油品*大储存能力为105m³(柴油罐容积折半计入油罐总容积),属二级加油站,汽油卸油、加油设置了油气回收系统。 万安县枧头镇瑞达加油站于2022年10月24日经吉安市应急管理局核准,换发了新的《危险化学品经营许可证》,证书编号:赣吉危化经字[2022]360800000060号,许可范围:成品油。**期2022年11月5日至2025年11月4日。 万安县枧头镇瑞达加油站2022年1月6日经吉安市商务局核准,换取了新的《成品油零售经营批准证书》,证书编号:油零售证书第吉0166号,批准从事成品油(汽油、柴油)零售业务。证书**期至2022年1月6日至2027年1月5日。 | ||||
委托单位联系人 | 刘敏 | 联系电话 | 15979668619 | ||
项目组长 | 谢英煌 | 技术专家 | —— | ||
报告编制人 | 谢英煌、刘于萍、龙镜生 | 报告审核人 | 邬长福 | ||
技术负责人 | 黄伯良 | 注册安全工程师 | —— | ||
过程控制负责人 | 刘赟 | 参与评价安全评价师 | 谢英煌、龙镜生、刘于萍、刘赟、 陈嘉鸣 | ||
现场工作人员 | 谢英煌、龙镜生、陈嘉鸣 | ||||
主要任务 |
现场收集企业基本信息,为保障评价对象建成或实施后能安全运行,应从评价对象的总图布置、功能分布、工艺流程、设施、设备、装置等方面提出安全技术对策措施;从评价对象的组织机构设置、人员管理、物料管理;应急救援管理等方面提出安全管理对策措施;从**评价对象安全运行的需要提出其他安全对策措施。
| ||||
现场工作时间 | 2025.4 | 报告提交时间 | 2025.8 | ||
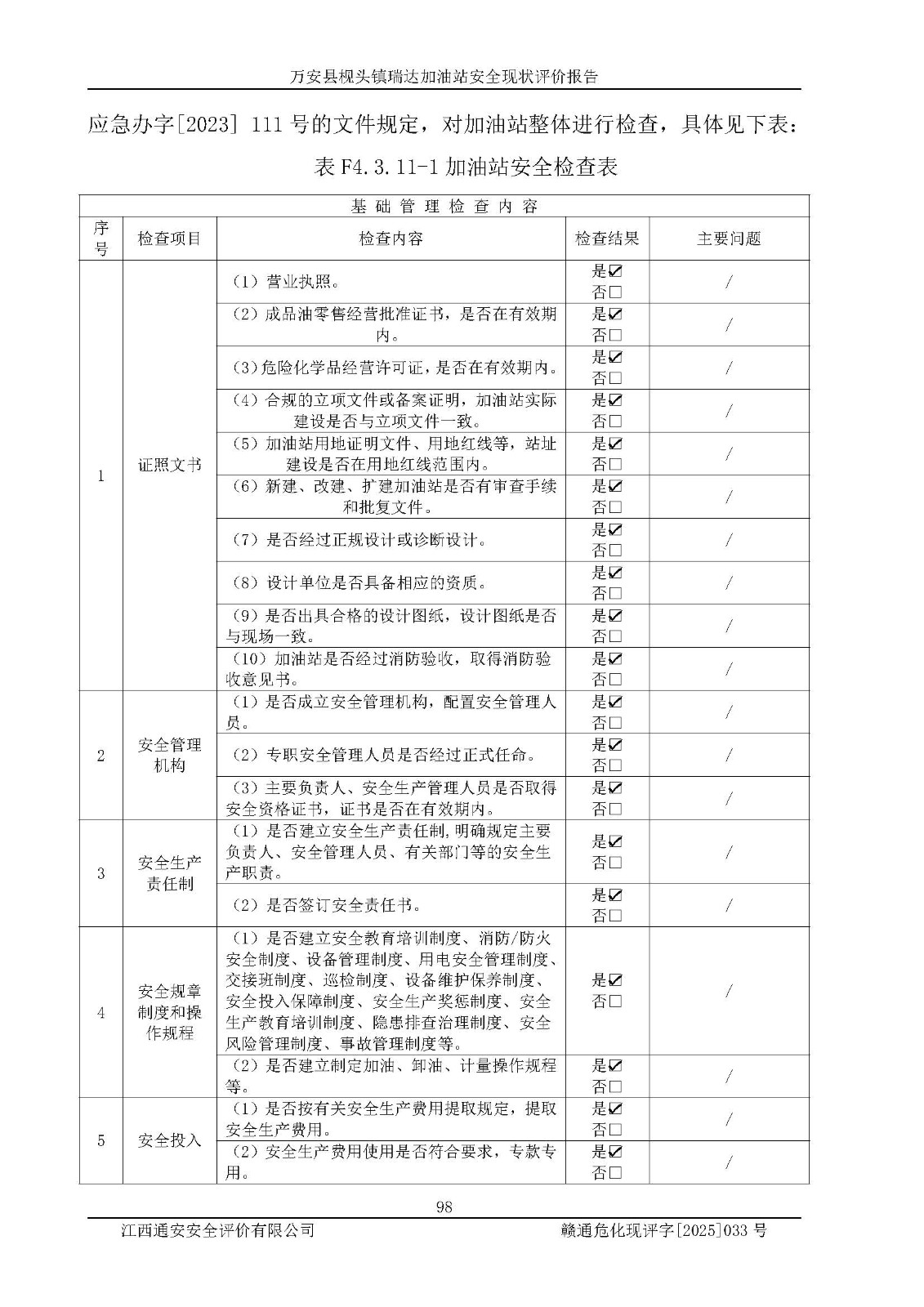
其它 | 在对该项目危险、有害因素辨识分析的基础上,运用安全检查表、预作业条件危险性分析法、危险度评价、重大事故后果分析结果等评价方法对该项目进行了分析评价,评价结果如下: 1、该项目位于江西省吉安市万安县枧头镇石灰桥,符合当地规划,与周边环境的距离符合有关标准、规范的要求。 2、总图布置分区明确,布局合理,各建构筑物的防火间距满足规范要求。 3、该项目无**明令淘汰的工艺,设备、设施与工艺条件、内部介质相适应,特种设备及设施较齐全,按规定设置防雷、防静电接地,爆炸危险环境加油机按要求采用防爆型,符合相关标准规范要求。 5、企业设置了安全生产管理机构,配备了专职安全生产管理人员,建立了安全生产责任制和安全生产管理制度,编制了岗位操作规程,编制了生产安全事故应急预案,人员经过相应的培训,企业的安全生产管理正常。 6、作业条件危险性评价结果:在选定的评价单元中,作业危险程度均为“一般危险,需要注意”,作业条件相对安全。 7、危险度评价结果:汽油储罐的危险程度为**危险。油罐采用双层罐埋地设置,按要求设置了通气管,并装设了阻火器;设置了液位监测报警系统和紧急切断系统,埋地加油管道设置双层管道及双层管道渗漏检测系统,其安全风险可控。 评价结论: 万安县枧头镇瑞达加油站工艺设备和安全设施运行正常,安全管理机制运行正常,安全设施、措施达到设计要求和预期结果,可以满足建设项目安全生产的要求,安全生产管理**,项目具备危险化学品经营单位安全经营条件的要求。 | ||||
评价师照片 | |||||




























































































































