

报告编号:赣通危化现评字[2022]025号
项目名称 | 樟树市吴城山前加油站有限公司危险化学品储存、经营项目安全现状评价报告 | ||||
项目简介 | 樟树市吴城山前加油站有限公司成立于2020年07月13日,位于江西省宜春市樟树市吴城乡山前居委会,法定**人为付勇平,现有员工4人,其中安全管理人员1人。该加油站2020年07月13日变更了危险化学品经营许可证,登记编号为赣宜应急经(甲)字[2019]110004号变更,**期至2021年7月9日。加油站设有3台双层油罐,分别为1台30m30#柴油卧式储罐、2台20m392#汽油卧式油罐,总储存能力为55m³(柴油折半),为三级加油站。加油区设有2台单枪加油机。该加油站目前运行正常。 | ||||
项目组长 | 周金鹏 | 技术专家 | —— | ||
报告编制人 | 陈嘉鸣 | 报告审核人 | 邬长福 | ||
技术负责人 | 黄伯良 | 注册安全工程师 | —— | ||
过程控制负责人 | 刘 赟 | 参与评价安全评价师 | 宋 明 | ||
现场工作人员 | 周金鹏、陈嘉鸣 | ||||
主要任务 | 现场收集企业基本信息,对企业周边环境及装置配套安全设施、安全生产管理、应急管理、前置条件等进行了实地检查,采集现场影像资料。通过对企业周边环境、总图运输、工艺技术、原材料、装置装备、设施及电气、消防设施、应急设施、公用动力配套的安全状况进行勘察,辨识项目危险有害因素,进行风险程度评价,法规标准符合性评价,提出安全对策措施与建议,对该建设项目安全条件是否符合**法律规范等进行了判定,得出风险评价结论。 | ||||
现场工作时间 | 2022.5.25 | 报告提交时间 | 2022.6.30 | ||
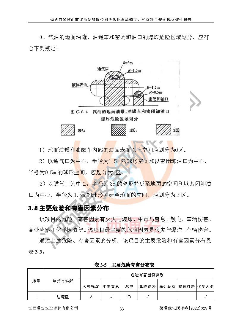
其它 | 1、樟树市吴城山前加油站有限公司为成品油零售企业,属于三级加油站,油罐区为主要危险目标。该加油站未构成危险化学品重大危险源。 2、樟树市吴城山前加油站有限公司经营的汽油属于重点监管危险化学品,应加强管理,防止事故发生。 3、通过本报告分析,该项目经营过程中主要的危险有害因素为火灾与爆炸、中毒、触电、**伤害等。而项目*主要的危险、有害因素是火灾与爆炸,加油站全体员工**保持**的安全防护意识,严禁火源。 4、项目公用工程能够满足安全经营的需要。 5、该加油站周边环境和总平面布置符合**和行业相关标准、规范的要求。该加油站建筑结构、安全设施等布置明确、合理,符合规范的要求。 6、加油站配备的消防、安全设施满足法律法规、标准规范的要求。 7、作业条件危险性评价结果:在选定的3个单元的危险程度均为“一般危险,需要注意”,且一般危险作业环境的出现均由物料的危险程度所决定,作业条件相对安全。 8、危险度评价结果:油罐区得分为12分,为Ⅱ级,属于中度危险。油罐区油罐设置了液位监测系统,具有液位远传、报警功能,卸油过程中设有静电报警仪,配有消防器材、消防沙等应急器材,采取上述安全措施降低火灾爆炸危险,满足安全条件要求。 9、加油站建立了安全责任制,制定相应的安全管理制度、操作规程,编制了生产安全事故应急预案,但还需健全和完善。 樟树市吴城山前加油站有限公司危险化学品储存、经营项目安全现状符合危险化学品经营安全条件。
| ||||
| |||||


































































