

项目名称 | 信丰万福加油站危险化学品储存、经营项目安全现状评价报告 | ||||
项目简介 | 信丰万福加油站位于赣州市信丰县万隆乡万隆村,经营单位负责人为李建生,现有员工4人,其中安全管理人员1人。该加油站2019年11月08日取得了危险化学品经营许可证,登记编号为赣虔安经(甲)字[2019]000216号{赣市行审证(3)字[2019]第523号},**期至2022年11月07日。加油站设有4台双层油罐,分别为2台30m30#柴油卧式储罐、1台30m392#汽油卧式油罐和1台30m395#汽油卧式油罐,总储存能力为90m³(柴油折半),为三级加油站。加油区设有4台双枪加油机。该加油站目前运行正常。 | ||||
项目组长 | 宋 明 | 技术专家 | —— | ||
报告编制人 | 宋 明 | 报告审核人 | 邬长福 | ||
技术负责人 | 黄伯良 | 注册安全工程师 | 周金鹏、宋明、陈嘉鸣 | ||
过程控制负责人 | 刘 赟 | 参与评价安全评价师 | 周金鹏、宋明、陈嘉鸣 | ||
现场工作人员 | 宋 明 | ||||
主要任务 | 现场收集企业基本信息,对企业周边环境及装置配套安全设施、安全生产管理、应急管理、前置条件等进行了实地检查,采集现场影像资料。通过对企业周边环境、总图运输、工艺技术、原材料、装置装备、设施及电气、消防设施、应急设施、公用动力配套的安全状况进行勘察,辨识项目危险有害因素,进行风险程度评价,法规标准符合性评价,提出安全对策措施与建议,对该建设项目安全条件是否符合**法律规范等进行了判定,得出风险评价结论。 | ||||
现场工作时间 | 2022.8.5 | 报告提交时间 | 2022.9 | ||
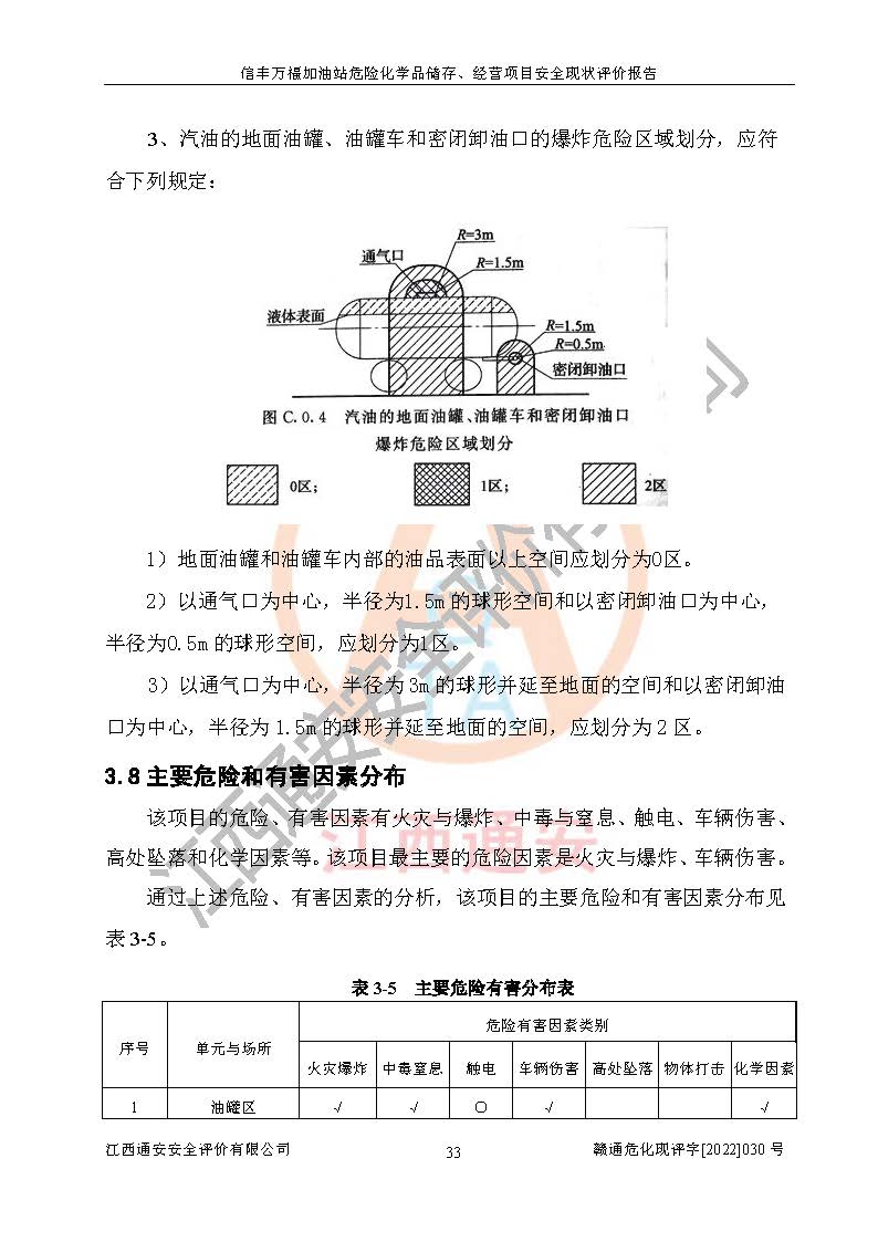
其它 | 1、信丰万福加油站为成品油零售企业,属于三级加油站,油罐区为主要危险目标。该加油站未构成危险化学品重大危险源。 2、信丰万福加油站经营的汽油属于重点监管危险化学品,应加强管理,防止事故发生。 3、通过本报告分析,该项目经营过程中主要的危险有害因素为火灾与爆炸、中毒、触电、**伤害等。而项目*主要的危险、有害因素是火灾与爆炸,加油站全体员工**保持**的安全防护意识,严禁火源。 4、项目公用工程能够满足安全经营的需要。 5、该加油站周边环境和总平面布置符合**和行业相关标准、规范的要求。该加油站建筑结构、安全设施等布置明确、合理,符合规范的要求。 6、加油站配备的消防、安全设施满足法律法规、标准规范的要求。 7、作业条件危险性评价结果:在选定的3个单元的危险程度均为“一般危险,需要注意”,且一般危险作业环境的出现均由物料的危险程度所决定,作业条件相对安全。 8、危险度评价结果:油罐区得分为12分,为Ⅱ级,属于中度危险。油罐区油罐设置了液位监测系统,具有液位远传、报警功能,卸油过程中设有静电报警仪,配有消防器材、消防沙等应急器材,采取上述安全措施降低火灾爆炸危险,满足安全条件要求。 9、加油站建立了安全责任制,制定相应的安全管理制度、操作规程,修订了生产安全事故应急预案,但还需健全和完善。 10、该项目不涉及重大生产安全事故隐患,安全经营条件符合《危险化学品经营许可证管理办法》的要求。 评价结论: 信丰万福加油站危险化学品储存、经营项目安全现状符合危险化学品经营安全条件。 | ||||
| |||||




































































