

评价报告名称 | 信丰冠美化工有限公司60kt/a工业甲醛在役化工装置安全设施符合性诊断及整改设计安全验收评价报告 | ||||||
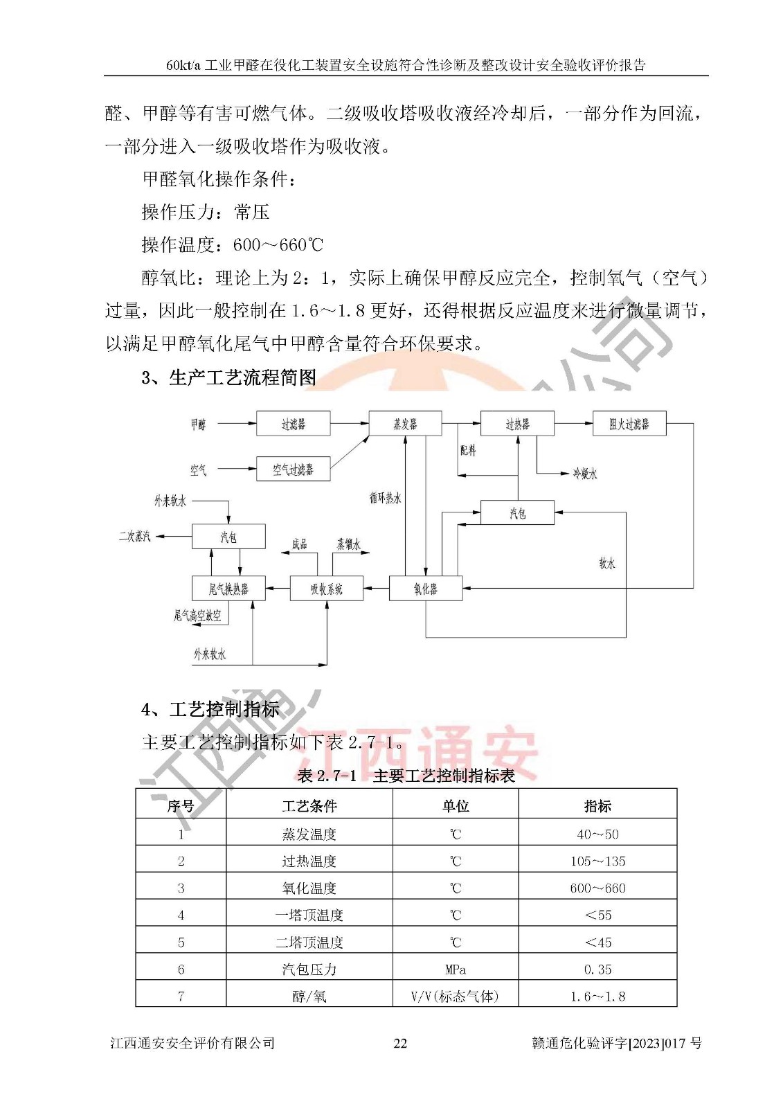
项目简介 | 信丰冠美化工有限公司位于江西省赣州市信丰县工业园伟邦路,法定**人为汪学斌,成立于2007年04月09日,注册资本壹仟万元整,营业执照经营范围为工业甲醛、尿醛树脂胶生产、销售(凭许可证经营)等。 信丰冠美化工有限公司2020年07月23日取得了《安全生产许可证》,许可证编号:(赣)WH安许证字[2008]0500号,许可范围为工业甲醛溶液(60kt/a),**期2020年08月06日至2023年08月05日。该公司2022年8月30日取得了安全生产标准化证书,证书编号:赣AQBWⅡ[2022]015,**期至2025年8月。该公司现有员工23人,其中专职安全管理人员1人。 根据《江西省危险化学品产业转移项目和化工园区安全风险防控专项整治实施方案》(赣安办字〔2021〕86 号)要求,为提升生产本质安全,减少安全隐患和重大危险源,信丰冠美化工有限公司对贮罐区进行了调整,停用1台甲醇储罐和1台甲醇计量罐,2台甲醇储罐变更为2台甲醛储罐。信丰冠美化工有限公司委托山东富海石化工程有限公司对60kt/a工业甲醛在役生产装置进行安全隐患排查,并针对安全隐患提出整改建议,对2022年专家对企业现场会诊提出的问题进行整改设计,出具了在役化工装置安全设计诊断及整改设计文本和图纸,取得了赣州市应急管理局出具的审查意见,并对安全隐患和贮罐区进行了整改。贮罐区整改完成后,经辨识,信丰冠美化工有限公司生产、储存单元不构成危险化学品重大危险源。信丰冠美化工有限公司向信丰县应急管理局申请了重大危险源核销,取得了核销登记表,核销编号为HX赣360722[2023]001。 信丰冠美化工有限公司60kt/a工业甲醛在役化工装置生产过程中涉及的原辅材料为甲醇和银触媒(催化剂),氮封需要使用氮气,副反应产物为氢气,产品为甲醛溶液。根据《危险化学品目录》,该项目涉及的甲醇、氮气[压缩的]、氢气、甲醛和甲醛溶液属于危险化学品。经辨识,甲醇和氢气属于重点监管的危险化学品,甲醛属于高毒物品,甲醇属于特别管控的危险化学品,不涉及监控化学品、易制毒化学品、易制爆危险化学品和剧毒化学品,生产、储存单元不构成危险化学品重大危险源,涉及的氧化反应属于重点监管的危险化工工艺。 | ||||||
参与评价项目相关人员 | 姓 名 | 职业资格证书号 | 从业编号 | 专业能力 | |||
项目负责人 | 宋 明 | S011035000110202001258 | 026291 | 化工工艺 | |||
项目组成员 | 周金鹏 | 1100000000200826 | 019540 | 化工工艺 | |||
宋 明 | S011035000110202001258 | 026291 | 化工工艺 | ||||
朱汝玲 | S011032000110191000378 | 028131 | 化工机械 | ||||
戴立平 | 1700000000100101 | 018974 | 电 气 | ||||
陈嘉鸣 | S011035000110193001189 | 037242 | 安全工程 | ||||
刘 赟 | 1500000000301415 | 026290 | 自动化 | ||||
报告编制人 | 宋 明 | S011035000110202001258 | 026291 | 化工工艺 | |||
报告审核人 | 邬长福 | 1200000000100179 | 007151 | 安全工程 | |||
过程控制负责人 | 刘 赟 | 1500000000301415 | 026290 | 自动化 | |||
技术负责人 | 黄伯良 | 1800000000100060 | 013789 | 化工工艺 | |||
勘察现场发现的问题及安全对策措施 | 序号现场存在的问题安全对策措施1甲醛车间部分管道未标识介质名称和流向;补充完善管道的介质名称和流向。2部分物料泵转动部位未设置防护罩。增加防护罩。
| ||||||
评价结论 | 信丰冠美化工有限公司60kt/a工业甲醛在役化工装置安全设施符合性诊断及整改设计的安全设施及安全管理符合**及有关部门关于安全生产法律、法规、标准的要求,工艺设备、安全设施等运行正常,安全设施、措施达到设计要求和预期结果,可以满足建设项目安全生产的要求,具备了安全设施竣工验收条件。 | ||||||
勘察现场工作时间 | 2023年6月2日 | 报告提交时间 | 2023年7月 | ||||
勘察现场人员 | 宋 明、周金鹏 | ||||||
现场照片 |
| ||||||
被评价单位 信息反馈情况 | 满 意 | ||||||




































































































