0792-8552077
当前位置:首页 >> 评价项目
评价项目
永新县埠前镇板上村氧气供应站危险化学品储存经营项目安全现状评价报告
更新时间:2024-11-18

项目名称

永新县埠前镇板上村氧气供应站危险化学品储存经营项目安全现状评价报告

 

项目简介

永新县埠前镇板上村氧气供应站位于永新县埠前镇板上村,成立于 2012 523日,占地面积 1200m³,法定**人张少峰,2018 4 25 日经永新县市场和质量监督管理局登记变更,从事氧气、氩气的储存经营活动。该公司于 202525日取得了危险化学品经营许可证,编号为赣吉危化经字[36080]2015 00043 号,许可范围为氧气、氩气,**期延期至 2024425

项目组长

周金鹏

技术专家

——

报告编制人

 

报告审核人

邬长福

技术负责人

黄伯良

注册安全工程师

——

过程控制负责人

 

参与评价安全评价师

陈嘉鸣

现场工作人员

周金鹏  

主要任务

现场收集企业基本信息,对企业周边环境及装置配套安全设施、安全生产管理、应急管理、前置条件等进行了实地检查,采集现场影像资料。通过对企业周边环境、总图运输、工艺技术、原材料、装置装备、设施及电气、消防设施、应急设施、公用动力配套的安全状况进行勘察,辨识项目危险有害因素,进行风险程度评价,法规标准符合性评价,提出安全对策措施与建议,对该建设项目安全条件是否符合**法律规范等进行了判定,得出风险评价结论。

现场工作时间

2024.1.22

报告提交时间

2024.2.4

其它

1、该项目位于永新县埠前镇板上村,周边无敏感地点或重要公共设施,项目总平面布置符合**和行业相关标准。

2、该项目涉及的主要危险化学品为氧(压缩的或液化的)、氩(压缩的或液化的)。

3、该项目生产过程中存在的危险、有害因素有:火灾、爆炸、容器爆炸、中毒窒息、物体打击、机械伤害、**伤害、触电、高处坠落、灼烫、淹溺、噪声等。其中需要重点防范的危险有害因素是火灾爆炸。

4、该项目不涉及重点监管的危险化学品,也不涉及重点监管的危险化工工艺。

5、该项目危险化学品不构成重大危险源。

6、经安全检查表检查,该项目选址、总平面布置、工艺装置布置、建筑结构符合法律法规、标准规范要求

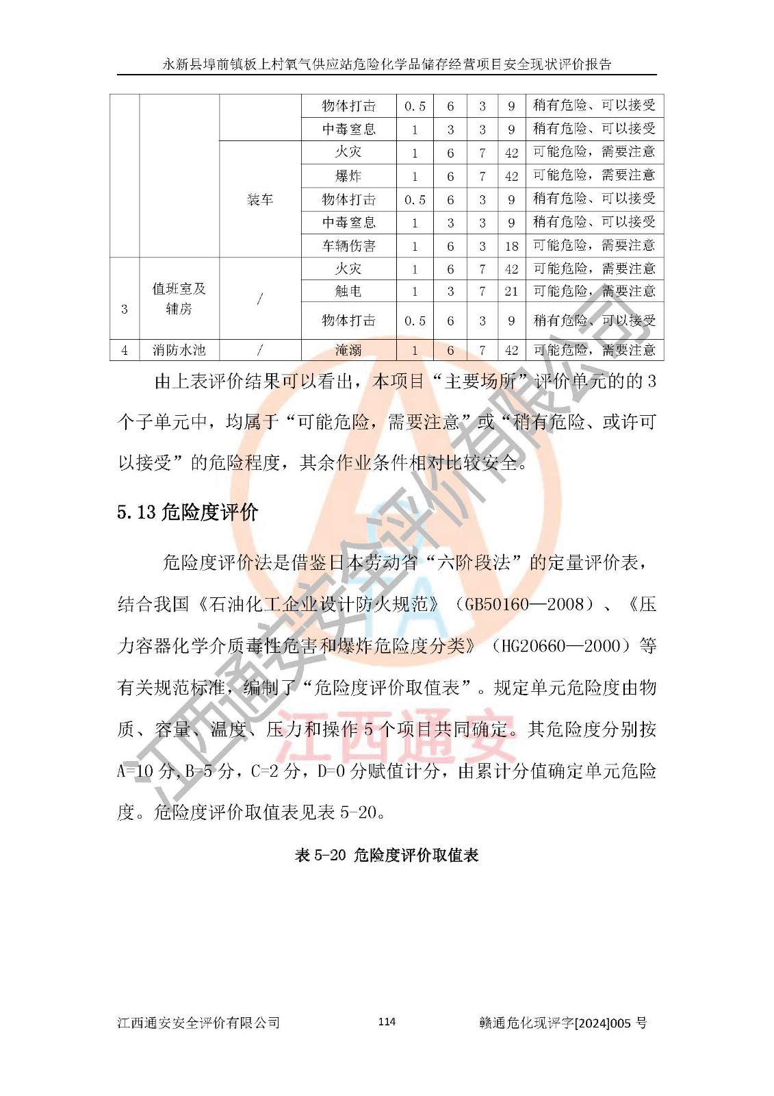
7.作业条件危险性分析评价结果:该项目的作业条件相对比较安全。选定单元均在可能危险、一般危险或稍有危险范围,作业条件相对安全。

8、危险度评价法分析评价结果:充装区危险等级为Ⅲ级,属于低度危险;储罐区的危险分级为Ⅱ级,属于中度危险。1、依据相关法律、法规、标准等的规定,该项目周边环境、总平 面布置、工艺及设备、防火防爆安全设施、有毒有害因素控制等符合 **相关标准规范的要求,能满足安全生产的要求。

9、该项目公用工程、辅助设施能够满足本项目安全生产的要求。

10、该项目按要求设置了安全生产管理机构,配备了专职和兼职的安全生产管理人员,形成了***的安全生产管理网络。

11、企业建立健全了以安全生产责任制为核心的安全生产管理规章 制度,编制了各岗位安全操作规程和岗位安全技术规程,并严格监督执行。

12、企业建立了较为完善的事故应急救援体系,成立了应急救援指挥中心,修订了事故应急救援预案。应对预案进行相关培训及演练, 并建立培训演练记录。

13、公司主要负责人、安全管理人员经培训考核取得了安全资格证,特种作业人员均经过培训考核取得特种作业证,实行持证上岗,其他 从业人员均进行了厂内三级安全教育培训,具备安全知识与操作技 能;

14、该公司为从业人员配备了相应的劳动防护用品和应急救援物 资。

15永新县埠前镇板上村氧气供应站危险化学品储存经营项目的现场状况与设计图纸一致,安全设施及安全管理符合**相关法律、法规、标准的要求,安全风险是受控制的,其风险程度是可以接受的,能够满足安全经营的要求。

 

image.png

image.png

image.png